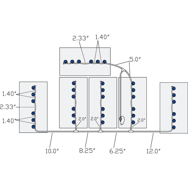
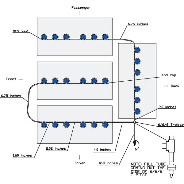
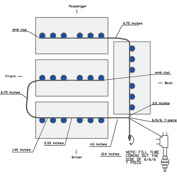
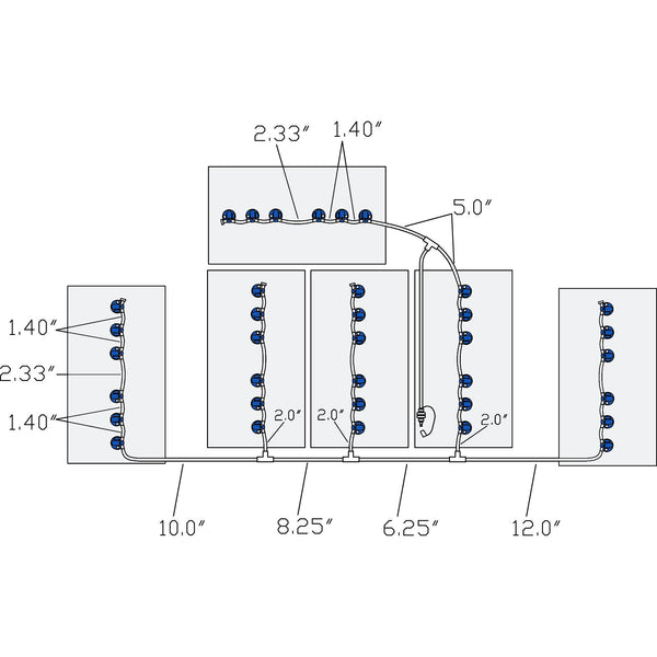
E-Z-GO Golf Cart Battery Watering System

If you have a fleet of E-Z-GO golf carts for your course or for other purposes, keeping their batteries in good working order is essential. That’s why Water My Battery has developed our E-Z-GO golf cart battery watering system designed specifically for these vehicles. The lead-acid batteries found in them need a full supply of water to keep them working properly, and they can dry out over time without proper maintenance. Because topping them all off individually by hand takes a lot of attention and time, our E-Z-GO golf cart battery watering system is a great investment. It protects the long-term health of your units and ensures they will continue to operate as they should.

Why Our Systems Are Necessary for You

Without the right level of water inside them, lead-acid batteries can lose a significant amount of performance and lifespan. Unfortunately, filling their reservoirs by hand can be dangerous, due to the acid they contain. If you have many carts, keeping them filled also means a big commitment of time and effort. With our system, however, you can make sure each battery has the proper level of water in it so it will always be ready to go. Ordering our E-Z-GO golf cart battery watering system ensures your vehicles will be in their best condition at all times.

The Benefits of Our System

We designed our kits to be as user-friendly as possible, featuring automatic valves that shut off as soon as the cell is filled. They also include pop-up indicators that let the user know at a glance when the watering process is finished. Using our system can reduce the amount of time it takes to water batteries by as much as 90%, cutting down on your team’s workload and making maintenance much easier as a result. This product is ideal for golf courses, universities, homeowners associations and any other organization with a large number of carts to manage. We’ve designed this system specifically for E-Z-GO golf cart batteries, so it’s the perfect fit for those vehicles. If you have other types of golf carts in your fleet, we have numerous solutions to help you keep their batteries watered. Our team of representatives will be happy to help you find the system that’s right for you, so get in touch with us today for more information.


Can't find your system? Click here