TROJAN (T-1260/75 Plus)
48v
E-Z-GO
- RXV
TROJAN
(T-1260/75 Plus)
48v
#WMB-GEZ48-KITBCTB
E-Z-GO
- RXV
TROJAN
(T-1260/75 Plus)
48v
#WMB-GEZ48-KITBCTB
-
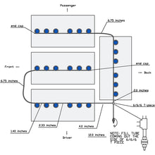
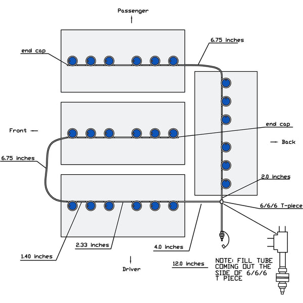
This battery watering system is custom designed to fit the E-Z-GO RXV 48 volt battery layout configured with 4 x 12 volt batteries.
To determine which battery manufacturers and battery models are compatible with our product, please refer to the "COMPATIBILITY" tab. Our watering system will be delivered fully assembled, eliminating the need for any tools, making the installation process a breeze.
Be sure that the diagram shown in Image 1 reflects the same layout as your battery bank configuration. If assistance is needed, please contact us.
Our watering systems do not work with flush caps, tapered cells, screw-top caps or forklift batteries. -
Be sure that the diagram shown in Image 1 reflects the same layout as your battery bank configuration.
If the specifications listed below do not correspond with your battery bank, please contact us for assistance.
MAKE: E-Z-GO
MODEL: RXV
BATTERY MFG: Trojan T-1275 PLUS and Trojan T-1260 PLUS
# OF BATTERIES: 4
BATTERY VOLTAGE: 12 volt - The Water My Battery system allows the user to water their batteries from a single connection. The battery watering system is equipped with self-regulating valves that are assembled with clear tubing. The clear tubing allows the user to watch the water flow throughout the entire system.
To operate the system, pair the quick-connects from the Manual Pump or Gravity Tank to allow water to flow through the tubing, into the valves filling each cell with the precise amount of water. As each cell fills, the indicator eye on the valve will pop-up; indicating that the cell is full.
Click here to view a complete list of our instructions.
Golf Cart Battery Water System
Whether you own a course or use them to get around your neighborhood, your golf carts are only as good as their batteries. The lead-acid types used by most carts need water to function, but they can dry out over time without proper attention. Keeping your batteries topped off is crucial for their long-term health, which is why a golf cart battery water system from Water My Battery is a smart investment. Our golf cart watering systems ensure your batteries are kept in prime condition and save you a significant amount of time compared to filling them all individually by hand.
Why You Need a Golf Cart Battery Water System
If the water in a lead-acid battery is not kept at the right level, it can have a seriously negative effect on the battery’s lifespan and performance. However, filling batteries by hand can be time-consuming and even dangerous due to the acid they contain. Our golf cart battery watering system ensures your fleet of carts always has the proper amount of water to keep them functioning as they should. With one of our golf cart battery watering kits, you can stop worrying about whether or not your fleet will remain in good working order.
The Benefits of Our System
Our golf cart battery filler kit is designed to be user-friendly, with valves that automatically shut off when the cell is full. Pop-up indicators on each valve let you know at a glance when the process is complete. You can cut the time it takes to water your batteries by as much as 90%, resulting in significant savings. This makes our golf cart battery auto fill system especially helpful for golf courses, universities, homeowners associations and any other group with a large number of carts. To find the system that’s perfect for your specific vehicle make, browse through our selection here or get in touch with us today.
HERE'S THE DEAL...
Maintain Precise Electrolyte Levels and More

-
EXTEND BATTERY LIFE
Properly watering your batteries will extend battery life and help prevent "dried out" cells.
-
EFFICIENT
No more hand-watering your batteries. Reduce filling time by 90%.
-
SAFETY
Multiple safety features make our valve the safest on the market.
-
CLEAN
Prevents harmful corrosion build up and eliminates acid spills.
TOP RATED VALVE
Note: Not all valves have an encapsulated float

-
Indicator Eye
Visible from the top and side. Confirms proper operations of valves.
-
Spark Arrestor
The spark arrestor prevents flames or sparks from entering through the battery vent opening.
-
Low Profile Design
Drastically reduces the risk of damage from battery cables.
-
Encapsulated Float
Reinforced encapsulation protects the float and eliminates interference with the internal obstructions.